We provide a customized replacement solution for the CEV65M-10736 encoder (CEV65M*4096/4096 SSI 80ZB12FL24), addressing common challenges customers face when sourcing this model due to limited availability and extended lead times. Our non-standard, fully customized replacement ensures a 1:1 match with the original application parameters, including SSI communication protocol, resolution, and mechanical interface, allowing the replacement unit to be integrated seamlessly into existing systems without modifications.
The replacement solution can typically be produced within 10–15 working days, significantly reducing procurement delays and minimizing operational downtime. Each encoder undergoes rigorous quality control and engineering validation to ensure accurate multi-turn position measurement, long-term durability, and reliable performance in demanding industrial environments.

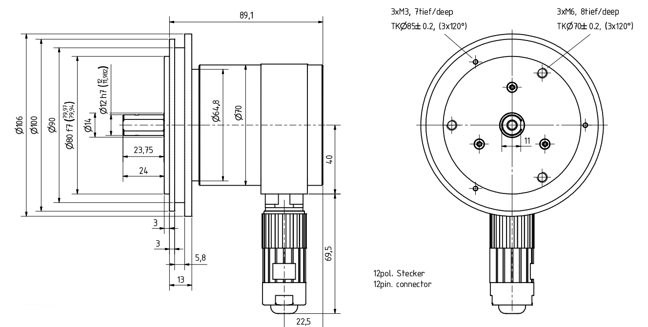
Technical Data
| Parameter | Details |
|---|---|
| NO. OF STEPS/REV | 4,096,000 |
| NO. OF REVOLUTIONS | 4,096,000 |
| INTERFACE | SSI |
| CODE | PROGRAMMABLE |
| SUPPLY VOLTAGE | 11 - 27V |
| OUTPUT LEVEL | RS422 |
| PROTECTION Class | IP65 |
| OPERATING TEMPERATURE | -40 - 70°C |
| FLANGE TYPE | Z880 |
| SHAFT TYPE | 12FL/24 |
| CONNECTOR TYPE | CONTACT 12P |
| CONNECTOR - POSITION | CONNECTOR RADIAL ON HOUSING |
| PINOUT NO. | S1979 - 4A |
| MATING PLUG | YES |
| OPTIONS ENC | FRHEATERLOW TEMPERATURE BEARING UNITPRESET 1 |
| DRAWING NO. | QE - CEV65 - M - 0457 |
| VERSIONNO | 158 |
| PARAMETER FILE | CE831 - 095 |
| FIRMWARE NO | 42,7860 |
