We provide a fully compatible replacement solution for the CEV65M-01744 (ALT.:110-01744) Profibus absolute encoder. Our engineering team develops encoders that replicate the original product’s electrical interface, resolution, and mechanical dimensions on a 1:1 parameter basis, ensuring seamless integration into your existing automation system. Each replacement unit is custom-built to match the same application environment, minimizing installation adjustments and avoiding software reconfiguration. With a streamlined production process and flexible manufacturing capability, our standard delivery time is only 10–15 working days, allowing customers to quickly resolve spare part shortages and maintain operational continuity when the original TR Electronic model is difficult to source or no longer available.
Our encoder replacement solutions have been widely adopted in international markets, recognized for their precision, durability, and excellent build quality. Products are exported to the Middle East, South America, Southeast Asia, Russia, Indonesia, and many other industrial regions, where they perform reliably in demanding applications such as packaging machinery, steel processing, and automated handling systems. Every encoder undergoes strict quality inspection, signal accuracy verification, and environmental testing before shipment, ensuring consistent performance equivalent to or exceeding the original model. By choosing our replacement encoders, users gain not only a dependable solution for discontinued products but also a long-term, high-quality alternative supported by professional technical expertise and efficient global service.

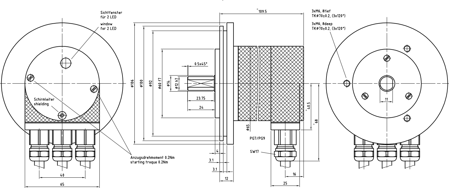
Technical Data
| Parameter | Details |
|---|---|
| NO. OF STEPS/REV | 4,096,000 |
| NO. OF REVOLUTIONS | 4,096,000 |
| INTERFACE | PROFIBUS DP |
| CODE | PROGRAMABLE |
| SUPPLY VOLTAGE | 11 - 27V |
| OUTPUT LEVEL | RS485 |
| PROTECTION Class | IP65 |
| OPERATING TEMPERATURE | 0 - 60°C |
| FLANGE TYPE | ZB60 |
| SHAFT TYPE | 12FL/24 |
| CONNECTOR TYPE | 3KXG9 |
| CONNECTOR - POSITION | PC - RADIAL |
| PINOUT NO. | RE - CE - TI - GB - 0017 |
| OPTIONS ENC | 12MBAUDPNO - PROFILE CLASS.2 |
| DRAWING NO. | 04 - CEV65M - M0077 |
| VERSIONNO | 000 |
| FIRMWARE NO | 437826 |
