We offer a customized replacement solution for the AEV70M-00103 SSI absolute encoder, engineered to provide full compatibility with the original TR Electronic model. Our encoders are developed with 1:1 parameter matching, replicating the same resolution, output configuration, and mechanical dimensions, ensuring seamless integration into existing automation systems. The SSI communication protocol is fully supported, allowing direct installation without modification to hardware or software. With an optimized production process, our standard delivery time is 10–15 working days, providing a fast and reliable solution for customers facing sourcing difficulties or requiring spare parts for discontinued models.
Our replacement SSI encoders have been widely adopted internationally and are recognized for their precision, durability, and reliability. They have been successfully exported to the Middle East, South America, Southeast Asia, Russia, Indonesia, and other regions, where they operate consistently in demanding industrial environments. Each encoder undergoes strict quality control, including signal verification, environmental testing, and mechanical endurance assessment, ensuring long-term stable performance. Backed by professional engineering support and extensive experience in global exports, our replacement solutions offer a dependable alternative to the original TR Electronic product, enabling uninterrupted system operation and reliable equipment maintenance.

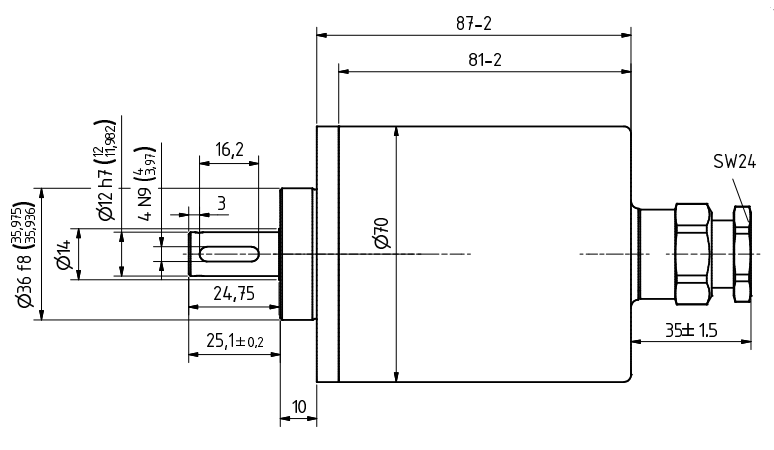
Technical Data
| Parameter | Details |
|---|---|
| NO. OF STEPS/REV | 8,192,000 |
| NO. OF REVOLUTIONS | 4,096,000 |
| INTERFACE | SSI |
| CODE | BINARY |
| SUPPLY VOLTAGE | 11 - 27V |
| POWER DISSIPATION | < 3 Watt |
| MAX SPEED | 6000 RPM |
| OUTPUT LEVEL | RS422 |
| PROTECTION Class | IP65 |
| OPERATING TEMPERATURE | -20 - +60°C |
| FLANGE TYPE | ZB36 |
| SHAFT TYPE | 12xK1 WAV1/2.5 |
| CONNECTOR-POSITION | PG AXIAL |
| cable length(m) | 20,000 M |
| PINOUT NO. | ST9729 |
| OPTIONS ENC | EX PROTECTION HOUSINGPRESET 1+2SHORT VERSION |
| ATEX-GAS | II 2G Ex db IIC T6 Gb |
| ATEX-DUST | II 2D Ex tb IIIC T125 Db |
| ATEX-CERT | 01E4.011ATEX 118°C X |
| DRAWING NO. | OIA - AEV70M - M0007X |
| VERSIONNO | 158 |
| PARAMETER FILE | AEV70M - 00103 |
| FIRMWARE NO | 4287860 |
