We provide a high-quality replacement solution for the CEV65M-10322 Profibus-DP absolute encoder, engineered to fully match the original TR Electronic model’s specifications. Each encoder is custom-built with 1:1 parameter alignment, including resolution, mechanical dimensions, and Profibus-DP communication protocol, ensuring seamless integration into existing automation systems. The replacement unit allows for direct installation without hardware modification or software reconfiguration. With an efficient production process, our standard delivery time is 10–15 working days, offering a reliable solution for spare parts supply and discontinued model replacement needs.
Our Profibus-DP replacement encoders are recognized internationally for their precision, durability, and stable performance. They have been successfully exported to the Middle East, South America, Southeast Asia, Russia, Indonesia, and other industrial regions, performing reliably in demanding motion control and automation applications. Each encoder undergoes comprehensive quality testing, including signal accuracy verification, mechanical endurance assessment, and environmental resistance checks, ensuring long-term operational reliability. Backed by professional engineering expertise and extensive global export experience, our replacement encoders provide a dependable, high-quality alternative to the original TR Electronic product, supporting continuous operation and efficient system maintenance.

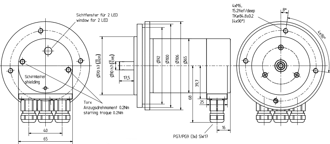
Product Data Sheet (CEV65M-10322)
| Parameter | Details |
|---|---|
| NO. OF STEPS/REV | 4,096,000 |
| NO. OF REVOLUTIONS | 4,096,000 |
| INTERFACE | PROFIBUS DP |
| CODE | PROGRAMMABLE |
| SUPPLY VOLTAGE | 11 - 27V |
| PROTECTION Class | IP65 |
| OPERATING TEMPERATURE | -20+70°C |
| FLANGE TYPE | 2870 |
| SHAFT TYPE | 10RB/17,5 |
| CONNECTOR TYPE | 3XPG9 |
| CONNECTOR - POSITION | PG RADIAL |
| OPTIONS ENC | 12MBAUDPNO - PROFILE CLASS.2 |
| DRAWING NO. | 04 - CEV65M - M0408 |
| VERSION NO | 000 |
| FIRMWARE NO | 4376AA |
