We offer a customized replacement solution for the CEV65S-10223 8192/1 parallel absolute encoder, designed to ensure full compatibility with the original TR Electronic model. Each unit is developed with 1:1 parameter matching, including resolution, mechanical dimensions, and parallel output configuration, allowing seamless integration into existing automation systems. The replacement encoder supports direct installation without requiring hardware modifications or software adjustments, providing a practical and efficient solution for spare part replacement or discontinued model applications. With a streamlined production process, our standard delivery time is 10–15 working days, enabling quick response to urgent operational needs.
Our parallel replacement encoders are recognized internationally for their high accuracy, durability, and reliable performance. They have been successfully exported to the Middle East, South America, Southeast Asia, Russia, Indonesia, and other industrial regions, operating consistently in various applications such as machine tools, automated production lines, and industrial drives. Each encoder undergoes strict quality testing, including signal integrity checks, mechanical endurance evaluation, and environmental resilience verification, ensuring long-term stable operation. Supported by professional engineering expertise and extensive global supply experience, our replacement encoders provide a dependable, high-quality alternative to the original TR Electronic product, helping users maintain uninterrupted system performance and secure efficient equipment operation.

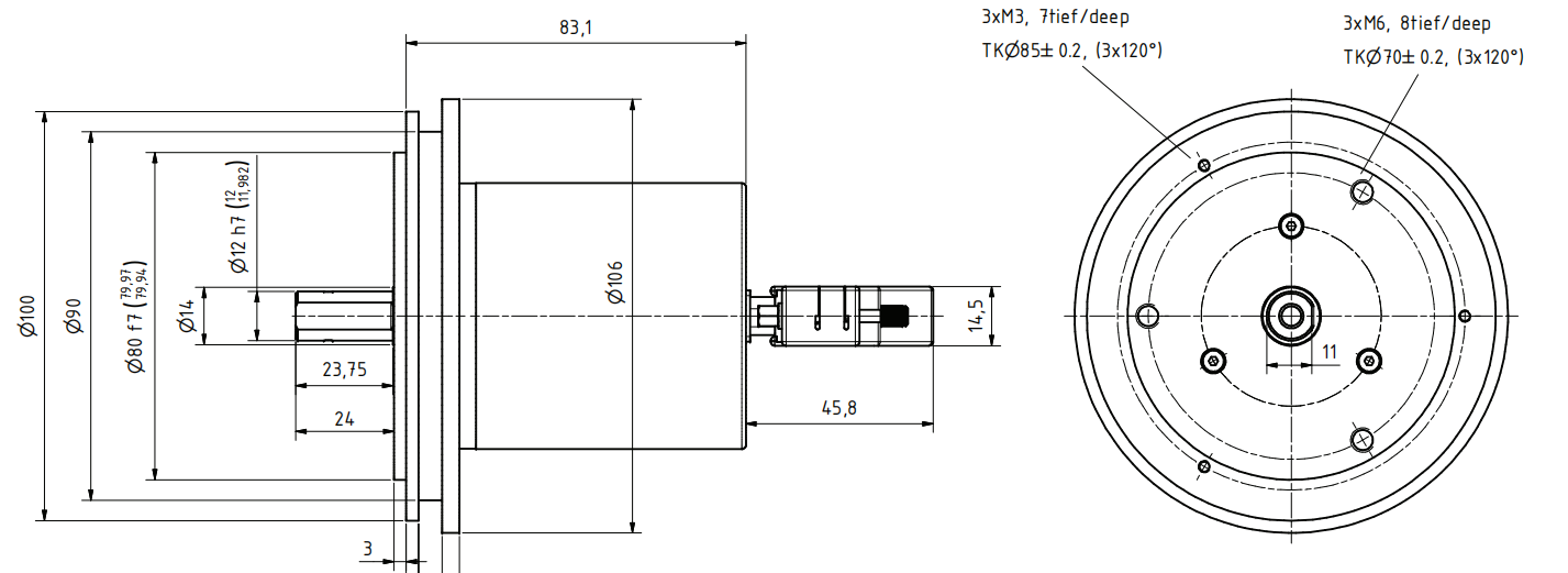
Technical Data
| Parameter | Specification |
|---|---|
| NO. OF STEPS/REV | 4,096,000 |
| NO. OF REVOLUTIONS | 4,096,000 |
| INTERFACE | PROFIBUS DP |
| ENCODING | PROGRAMMABLE |
| SUPPLY VOLTAGE | 11-27V |
| OUTPUT LEVEL | RS485 |
| PROTECTION CLASS | IP65 |
| OPERATING TEMP | -20-+70°C |
| SHAFT TYPE | 12FL/24 |
| FLANGE TYPE | ZB80 |
| CONNECTOR | CONTACT 12P |
| MOUNTING POSITION | RADIAL ON HOUSING |
| OPTIONS | FR, HEATER, LOW TEMP BEARING UNIT, PRESET 1 |
| PARAMETER FILE | CE831-095 |
| FIRMWARE | 437A73 |
| DRAWING NO | QE-CEV65-M-0457 |
| VERSION | 158 |
