The CEV65M-01700 (ALT:110-01700) Profibus-DP Encoder Replacement Solution provides a high-quality and precise alternative for users who need to replace or maintain their existing Profibus-DP encoder systems. Each encoder is custom-engineered with 1:1 parameter matching, including resolution, mechanical dimensions, and communication protocol, ensuring complete compatibility with the original model. This allows for direct installation and smooth system integration without requiring additional programming or hardware adjustments. With a standard production and delivery time of 10–15 working days, it offers a fast and dependable solution to overcome supply shortages or discontinued product issues.
Manufactured using advanced technology and high-grade industrial materials, the replacement encoder ensures stable data transmission, precise position feedback, and long-term durability, even in harsh operating environments. It is ideally suited for automation systems, conveyor lines, packaging machinery, and other industrial applications where reliability and accuracy are essential.
Our Profibus-DP replacement encoders have been successfully deployed across Europe, South America, the Middle East, and Southeast Asia. Customers consistently recognize their robust performance, easy integration, and excellent cost-effectiveness, making them an ideal choice for maintaining uninterrupted production and extending the lifespan of industrial automation systems.

Technical data
| Parameter Item | Value |
|---|---|
| NO. OF STEPS/REV | 4,096,000 |
| NO. OF REVOLUTIONS | 4,096,000 |
| INTERFACE | PROFIBUS DP |
| CODE | PROGRAMABLE |
| SUPPLY VOLTAGE | 11-27V |
| OUTPUT LEVEL | RS485 |
| PROTECTION Class | IP65 |
| TEMPERATURE RANGE | -20 + 70°C |
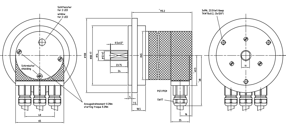
| FLANGE TYPE | ZB80 UNI |
| SHAFT TYPE | 12FL/24 |
| CONNECTOR TYPE | 3XPG9 |
| CONNECTOR - POSITION | PG RADIAL |
| PINOUT NO. | TR - ECE - TI - GB - 0017 |
| OPTIONS ENC | 12MBAUD |
| OPTIONS ENC | PNO - PROFIL CLASS.2 |
| DRAWING NO. | 04 - CEV65M - M0086 |
| VERSIONNO | 000 |
| FIRMWARE NO | 4376AA |
