The CEV65M-10403 SSI absolute encoder is a high-precision model widely used in industrial automation, robotics, and motion control systems. For customers who face challenges sourcing this encoder, we provide a customized replacement solution that matches the original 1:1 in all critical parameters, including resolution, shaft dimensions, and SSI communication protocol. This ensures seamless integration into existing systems without requiring modifications. Our production cycle typically takes 10–15 working days, allowing users to maintain operational continuity and minimize downtime.
This replacement solution is ideal for applications requiring reliable serial synchronous interface (SSI) communication, including CNC machines, packaging equipment, and automated assembly lines. The encoder is engineered for precision, long-term stability, and consistent signal transmission, delivering performance equivalent to the original unit even in demanding industrial environments.

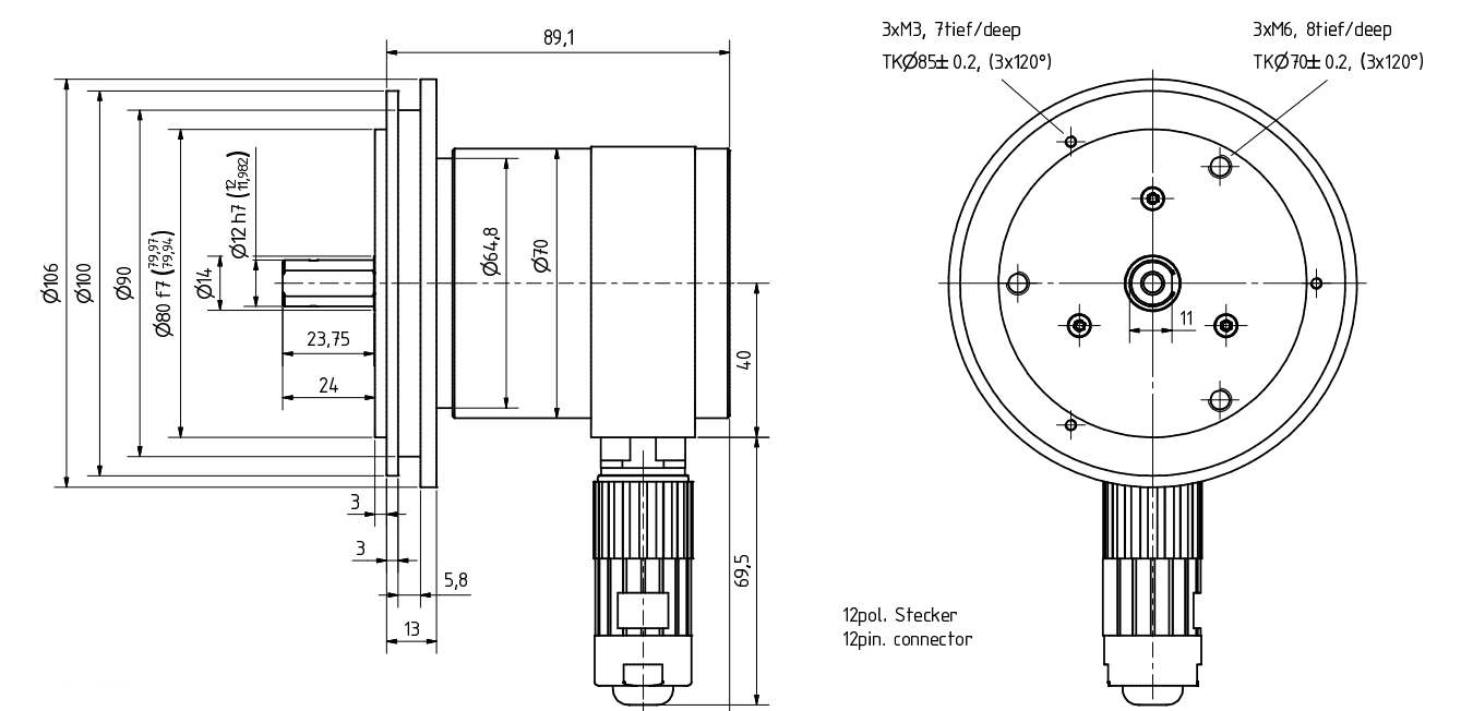
Technical Data
| Parameter | Details |
|---|---|
| NO. OF STEPS/REV | 8,192,000 |
| NO. OF REVOLUTIONS | 4,096,000 |
| INTERFACE | SSI |
| CODE | PROGRAMMABLE |
| SUPPLY VOLTAGE | 11 - 27V |
| OUTPUT LEVEL | RS422 |
| PROTECTION Class | IP65 |
| OPERATING TEMPERATURE | -40 - +70°C |
| FLANGE TYPE | ZB80 |
| SHAFT TYPE | 12/F/24 |
| CONNECTOR TYPE | CONTACT 12P |
| CONNECTOR - POSITION | CONTACTOR RADIAL ON HOUSING |
| PINOUT NO. | ST9791A |
| OPTIONS ENC | HEATERLOW TEMPERATURE BEARING UNIT |
| DRAWING NO. | OA - CE5VM - MG457 |
| PARAMETER FILE | CE831 - 15 - 095 |
| FIRMWARE NO | 43780 |
