The CEV65M-10742 Parallel Encoder Replacement Solution is engineered to meet the needs of users requiring a robust and precise substitute for legacy parallel output encoders in industrial automation systems. Designed with a 1:1 mechanical and electrical interface, it ensures full compatibility with existing mounting setups and control systems, making installation and commissioning both simple and reliable. Typical production and delivery can be completed within 15 working days, ensuring quick turnaround for urgent replacement applications.
This model provides highly stable parallel signal transmission and accurate position feedback, ideal for applications such as servo control, conveyor automation, lifting machinery, and industrial robotics. The encoder’s solid construction and optimized circuit design enable excellent performance in harsh environments, maintaining precision and reliability even under continuous operation and vibration.
By offering a customizable replacement platform, the CEV65M-10742 allows adjustments in resolution, shaft type, and connector configuration to match specific system requirements. It provides users with a durable, long-term supply option that ensures system continuity while enhancing reliability and efficiency in industrial motion control systems.

Technical data
| Parameter Item | Value |
|---|---|
| NO. OF STEPS/REV | 4,096,000 |
| NO. OF REVOLUTIONS | 4,096,000 |
| PROGRAMMABLE | PROG. |
| INTERFACE | PARALLEL PUSH PULL |
| CODE | PROGRAMABLE |
| SUPPLY VOLTAGE | 11-27V |
| OUTPUT LEVEL | 11-27V |
| PROTECTION Class | IP65 |
| TEMPERATURE RANGE | -20 + 70°C |
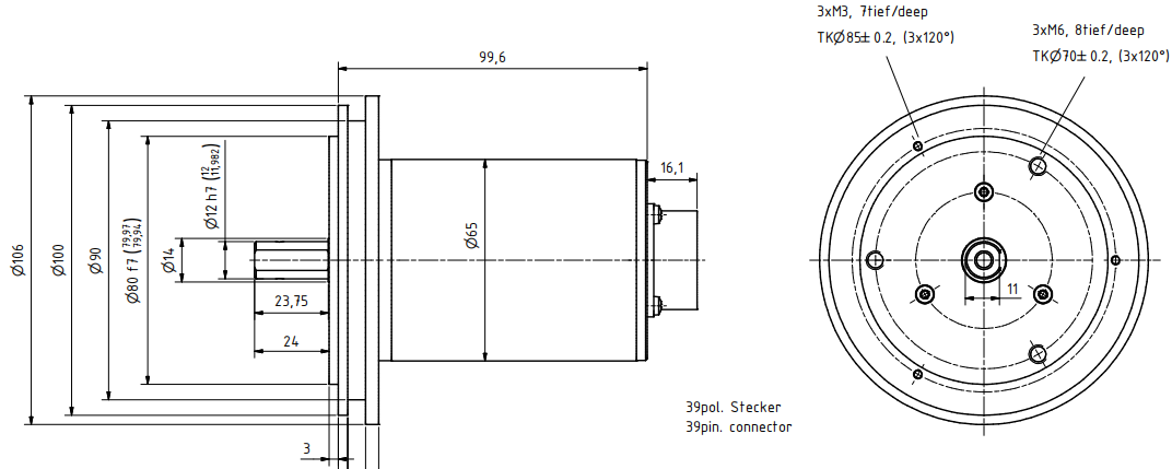
| FLANGE TYPE | ZB80 |
| SHAFT TYPE | 12FL/24 |
| CONNECTOR TYPE | TELDIX 39P |
| CONNECTOR-POSITION | AXIAL |
| PINOUT NO. | ST138B |
| MATING PLUG | NO |
| OPTIONS ENC | FR |
| OPTIONS ENC | LATCH |
| OPTIONS ENC | PRESET 1+2 |
| OPTIONS ENC | PROGRAMMABLE |
| DRAWING NO. | 04-CEV65M-M0689 |
| VERSIONNO | 158 |
| PARAMETER FILE | CB833-265 |
| FIRMWARE NO | 437865 |
| DOCUMENTATION NO | DOKUMENTE |
| AL: | N |
| ECCN: | N |
